Aktion: kostenloser Versand
Offizieller Ko-ken-Händler
Lieferung in 5-8 Werktagen

1/2” Aussensechskant-Bitstecknuss, 100 mm

koken

Präziser Bitstecknuss zum Anziehen und Lösen von Innensechskant-Schrauben. Wichtig: Die Bits des Typs 4012A/M sind ausschliesslich für den Handbetrieb vorgesehen.

ab CHF 14,90

Artikelnummer: 4012M-100
Versand: Lieferung in 5-8 Werktagen
inkl. 8.1% MwSt.

1/2” Aussensechskant-Bitstecknuss, 100 mm

Beschreibung

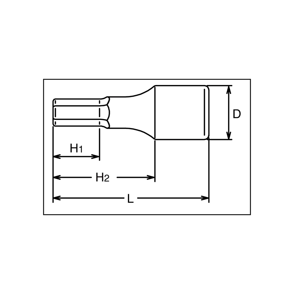
4012M-100(mm) D(mm) H1(mm) H2(mm) L(mm) Gewicht(g)
4 24 15.5 78 100 75 g
5 24 15.5 78 100 81 g
6 24 15.5 78 100 52 g
7 24 15.5 78 100 93 g
8 24 15.5 78 100 97 g
9 24 15.5 78 100 111 g
10 24 15.5 78 100 117 g
11 24 15.5 78 100 142 g
12 24 15.5 78 100 143 g
13 24 15.5 78 100 158 g
14 24 15.5 78 100 169 g
15 24 15.5 78 100 172 g
16 24 15.5 78 100 192 g
17 24 15.5 78 100 215 g
18 24 15.5 78 100 227 g
19 24 15.5 78 100 243 g

Daten

Marke

Einheit

Grösse

4mm, 5mm, 6mm, 7mm, 8mm, 9mm, 10mm, 11mm, 12mm, 13mm, 14mm, 15mm, 16mm, 17mm, 18mm, 19mm

Antrieb

Antriebsprofil

Abtrieb

, , , , , , , , , , , , , , ,

Abtriebsprofil

Oberfläche

manganphosphatiert

Material

Chrom Molybdän

Nicht das passende Werkzeug gefunden?

Werfen Sie einen Blick in unseren Katalog mit über 8.000 Artikeln. Gerne können Sie uns Ihre Wunschprodukte per E-Mail an contact@yaretools.com senden – wir prüfen Verfügbarkeit und melden uns mit einem Angebot und den Lieferzeiten bei Ihnen.

Ko-ken Produktkatalog 2026-27

Andere Kunden interessieren sich aktuell für…

Kategorie: Handwerkzeuge, Bit(sätze), Präzisionswerkzeuge

3/8″ Bitsatz Innensechskant (lang), 8-teiliger Satz auf Magnetschiene, Z-SERIE

CHF 107,50

3/8" steckschlüssel innensechskant (mm), z serie, 8teiliger satz auf magnetschiene
Kategorie: Handwerkzeuge, Nuss(sätze)

1/4″ 6-kant Nussatz, 6-teiliger Satz auf Halteschiene, NUT GRIP

CHF 44,90

1/4'' 6-kant Nusssatz, 6-teiliger Satz auf Halteschiene, NUT GRIP
Kategorie: Handwerkzeuge, Präzisionswerkzeuge, Ratschenzubehör

1/2″ Gelenkstück, Z-SERIE

CHF 26,50

4771z product
Kategorie: Handwerkzeuge, Nuss(sätze)

3/8″ 6-kant Nusssatz, 8-teiliger Satz auf Halteschiene, NUT GRIP

CHF 62,50

3/8″ 6-kant Nusssatz, 10-teiliger Satz auf Halteschiene, NUT GRIP

Aktuelle Aktion

Sichern sie sich kostenlosen Versand auf jede Bestellung!

Anmelden